Ronaldo's LogiSim Logic Page

6502.gif
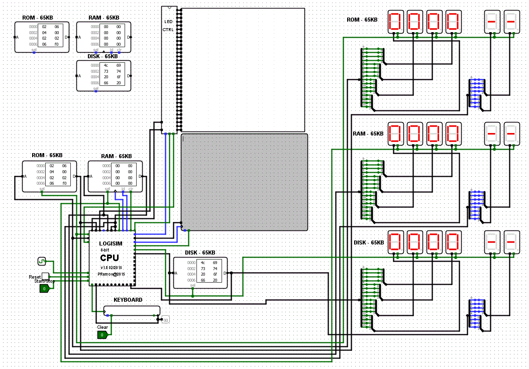
CPU.gif
MUL.gif
DIV.gif
SQR.gif
Here are the LogiSim Math Projects Date 2022-02-10